


18012390771
ztt@rellab.cn
新能源熱管理系統測試
為匹配儲能等行業的快速發展,測試中心新建了電池熱管理實驗室和大型儲能熱管理實驗室,新建的電池熱管理能滿足20尺集裝箱電池儲能柜環模測試,滿足高低溫存儲和充放電測試(環境溫度跨度-40~100℃);新建大型風冷冷水實驗室能滿足儲能電池柜集中冷卻、滿足大型儲能熱管理機組性能/可靠性/邏輯等測試(環境溫度跨度-40~60℃)。
檢測對象:整車熱管理機組、 電池熱管理機組、儲能熱管理機組等各種機組。

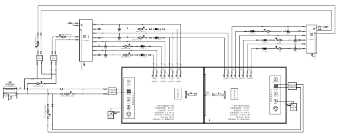
1、


2、150+60kW實驗室為下一代集中供冷系統進行測試,該實驗室中間采用雙開門式設計,若機組能力較大,可將中間隔斷門打開以滿足性能測試要求,同時隔斷門關閉作為兩個獨立的實驗室進行測試。 該實驗室支持3kW~210kW水冷機組、儲能機組、整車熱管理的性能測試和可靠性測試。此外還可對機組進行管路應力應變測試、電氣安全、電控溫升、機組高低溫耐久測試等。150+60kW測試臺,通過YOKOGAWA GM10數據采集系統,以太網和TCIP協議,對測試數據進行實時采集,傳輸,儲存,測試過程和測試結果的數據可在網絡內部共享,并實現遠程監控。
氟泵集中式熱管理系統圖(制冷模式):


3、電池包試驗臺可滿足20尺集裝箱式儲能電柜高低溫充放電測試。改設備投入后將對電柜集成式提供保障。
同時該實驗室支持3kW~50kW水冷機組、儲能機組、整車熱管理的可靠性測試、電控溫升、機組高低溫耐久測試等。
該試驗臺還配備安捷倫數據采集系統,以太網和TCIP協議,對測試數據進行實時采集,傳輸,儲存,測試過程和測試結果的數 據可在網絡內部共享,并實現遠程監控。


4、半消聲實驗室
一、半消聲室:
半消聲室(或全半消聲室)是聲學實驗和噪聲測試中極其重要的實驗場所。作用是提供一個自由場或半自由場空間的低噪聲測試環境。半消聲室的主要功能:
①提供聲學自由場環境②低噪聲測量環境
二、自由場空間:
半消聲室的主要功能是為聲學測試提供一個自由場空間或半自由場空間。
三、背景噪聲:
半消聲室另一個功能是提供低背景噪聲的環境以適應測試環境的要求。
四、截止頻率:
截止頻率是指在此頻率以上,能保證99%的吸聲系數。實際工程中的(半)自由場空間是指對截止頻率以上的聲波,半消聲室內為(半)自由場空間,截止頻率越低,尖劈的長度要求。


RESEARCH EXPERT
科研專家
公司技術團隊科研實力雄厚,首席技術專家——張濤博導是有著多年科研經驗的中科院上海技術物理研究所一室主任、研究員,863項目重大項目專家組成員,也是國內較早從事環試設備研發的專家之一,專家團隊為您量身定做試驗方案,為您保質降本。
點擊咨詢無錫科睿檢測服務有限公司是國內較早開展環境可靠性工程試驗技術研究與應用的專業檢測服務機構,經過數年的發展已成為集可靠性環境測試、失效分析、理化檢測為一體的綜合性檢測服務機構。
查看更多 | >